春亨产品中心
- 按产品特性分类
- 水平仪 偏心仪 角度计 直角尺 同心度仪 高速主轴 内外测卡规 打磨机 钻石膏 各种量表 磨刀石 研磨油石 切削刀具 研磨刷 研磨工具 磁性工具 放大镜 内视镜 卡尺 千分尺 圆周尺 扭力工具 针规 间隙规 速度测试 高度尺/计 测量工具 硬度计 段差尺 焊道规 V型座 磁性吸盘 推拉力计 吊重磁盘 工业胶粘剂 研磨抛光 钳类工具 旋具工具 热敏试纸 粘度计 电子称 金属锉刀 复制胶膜 螺帽规 背孔刀 气动主轴 自动换刀主轴 防静电主轴 MSIY电主轴 高精密主轴 大扭矩电主轴 高斯计 直角电主轴 进口百分表 扭力起子 中村扭力扳手 脱磁器 螺纹深度规 主轴增速刀柄 RBZ浮动主轴 中心出水电主轴 气浮主轴 螺纹规
- 按应用领域分类
- 工程机械 数控机床 汽车制造 电子/光电 橡胶皮革检测 船舶制造 实验室/研究院 纺织业 精加工 雕刻 珠宝首饰 陶瓷工业 抛光去毛刺 PCB分板机加工 铣削加工 钻孔动力头 医疗加工 走心机高频铣 浮动去毛刺 小径深孔加工
- 按品牌分类
- AAA ASKER B2 BOWERS CITIZEN DMT FUJITOOL FISSO FUJIGEN HONDA GLOI HEINE KANETEC IMADA KANON KAYDIAMOND KROEPLIN MEYER MARUI MITUTOYO NAKANISHI PEACOCK PEAK PHOENIX PI-TAPE RSK RHEINTACHO SK SPI SUN SUPERTECH SWAN UNIVERSAL NOVAPAX XEBEC WIXEY Teclock tohnichi 富士KOSOKU RUBICON KEIBA TAJIMA NIKON Stanley SPI Engeering MARKAL PTC TMC THERMAX RION SHINKO STAO佐藤 TSUBOSAN OSKAR SCHWENK MARK-10 Microset starrett EENPAIX OJIYAS DIGITECH ROECKLE tites swiss Yamato Cherry DAIWA RABIN MSIY NRS PPS NSK
相关资讯
- 这四种深孔加工的方法,您更愿意选择哪一种呢?
- 这四种去除刀痕的方法,总有一种适合你!
- 日本KANETEC强力制造磁性表座
- 钻孔后孔边缘毛刺怎么去除?用XEBEC背孔刀
- OJIYAS空气量规--春亨工具最新代理产品
- 不锈钢12mm内孔毛刺怎么去除?用高速主轴+内孔刷
- 高频铣RBZ-20F,比nsk高频铣BM-320F更划算
- 日本RSK水平仪
- 环氧树脂合模线去毛刺,用MSIY-30浮动电主轴
- 铝合金边缘去毛刺,用msiy浮动刀柄+浮动锉刀使用
- 日本RSK精密水平尺
- 高速主轴为什么选择【NAKANISHI高速主轴】
- 英国THERMAX表面温度指示贴
- 橡胶硬度计用什么仪器来校正?选ASKER硬度计校正仪
- 普通数控车床能否加装大扭矩电主轴?
- 分板机主轴NR-3060S
- 专业进口工量具售后服务商春亨工具
- 日本NAKANISHI高速主轴在船舶业接线端子排的铣削应用
- 【进口工量具】价格调整通知
- 加装高频铣,首选NAKANISHI
产品详情
联系我们
日本强力KANETEC铁板分离器KF系列

日本强力铁板分离器KF系列,采用高性能磁石制成,很轻易的固定在机器上,把钢板一块一块分开,应用在钢板自动供给的生产线或者一块一块送进机床里加工等场合。产品型号有:KF-5B、KF-10、KF-20、KF-30、KF-40。
强力铁板分离器产品特性

(1)磁极面上的两根铁条保证了高度的分离能力。
(2)除了能分离钢板外,同时使用几个分离器一样可以分离冲压好形的的、圆、不规则的工件。
(3)高性能磁石的采用,很轻易的固定在机器上;成套的两个分离器的钢板的大小、形状、重量都是一致的。
(4)一套包含两个分离器。
强力铁板分离器使用视频
强力铁板分离器产品规格型号

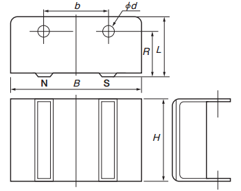
强力铁板分离器产品尺寸


铁板分离器 铜板分离器 钢件分离器
订购:铁板分离器KE-20
跟此产品相关的产品









1960544536